销售热线:025-52773843
联系我们
| English
首页
关于我们
产品展示
新闻中心
技术支持
联系我们
开环霍尔电流传感器
单电源
双电源
闭环霍尔电流传感器
单电源
双电源
电流变送器
交流型
直流型
磁通门高精度传感器
电压传感器
开关量型传感器
交流型
您现在的位置
首页
产品展示
电流变送器
交流型
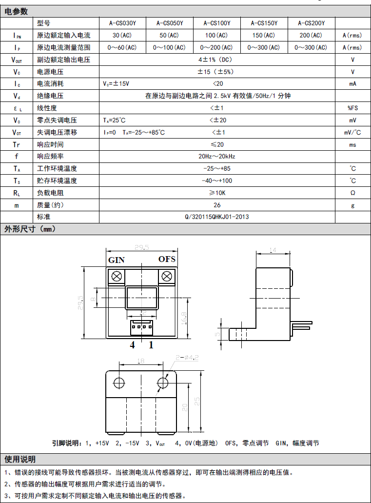
A-CS200Y系列
应用霍尔效应开环原理的电流变送器,能在电隔离条件下测量交流信号电流,转换成直流信号输出。
型号:A-CS200Y系列
访问:15814次
产品手册下载
产品详情
A-CS300B系列
A-CS050GET系列
关于我们
关于我们
企业资质
产品中心
开环霍尔电流传感器
闭环霍尔电流传感器
电流变送器
磁通门高精度传感器
电压传感器
开关量型传感器
新闻中心
技术专区
企业新闻
技术支持
技术及服务
闭环霍尔电流传感器原理
霍尔电流传感器
电流传感器
奇霍产品3D图纸下载
联系我们
联系我们
电子地图
在线留言
Copyright©2016 chieful.cn Design. All Rights Reserved 电话:025-52773843 52773807
传真:025-52773345
Email:chieful@chieful.cn
南京奇霍科技有限公司 版权所有 网址:www.chieful.cn 网站地图 技术支持:
南京网络公司
友情连接:
霍尔传感器
|
磁通门电流传感器
|
电流传感器
|
霍尔电流传感器
南京网络公司
开环霍尔电流传感器
,
闭环霍尔电流传感器
,
电流变送器
,
电压传感器
,
开关量型传感器
高精度电流传感器
苏ICP备14022105号-1
125995998
346776516
在线留言
关闭